Maverickgrabber.com Homepage [ ARCHIVES ][ TECHNICAL ][ ARTICLES ][ MY GRABBER ][ PARTS ][ LINKS ][ SITE INDEX ]

1970 Ford Maverick Wiring & Vacuum Diagrams

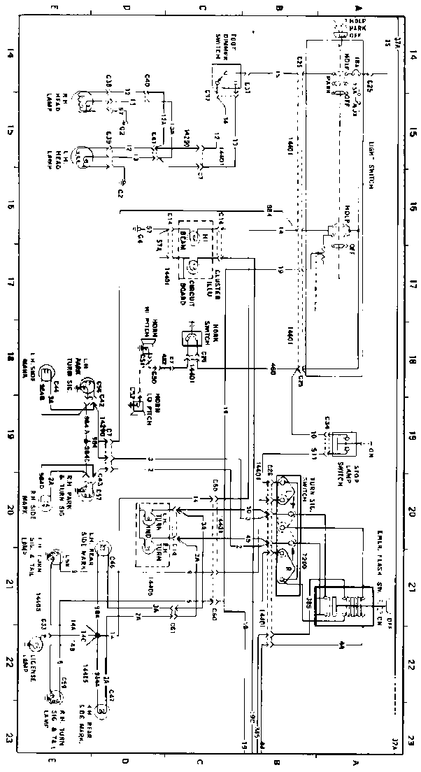
These diagrams are from a Chilton's Manual printed in 1970. They should be virtually identical to 1970-1973 models and similar to 1974-77 models.

For 1976 Wiring Diagrams, visit Maverickcomet.com

VIEWABLE VERSIONS

Diagram 1

CONNECTOR VIEWS

Diagram 2

Picture 1 (C1-C20)

Diagram 3

Picture 2 (C21-C51)

Diagram 4

Picture 3 (C56-C85)

Diagram 5

PRINTABLE VERSIONS

Diagram 1

CONNECTOR VIEWS

Diagram 2

Picture 1 (C1-C20)

Diagram 3

Picture 2 (C21-C51)

Diagram 4

Picture 3 (C56-C85)

Diagram 5

Vacuum Diagram - AC Controls

Vacuum Chart - AC Controls